Language
|
|
|
|
|
 |
|
|
 |
| |
 |
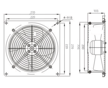
產品規格表| 型號 | 額定電壓 | 頻率 | 輸入功率 | 參考轉速 | 電容 | 最大風量 | 噪音 | | Model No | VAC | Hz | Watt | RPM | UF | m³/h | db(A) | | JGT200B2H-F | 220 | 50 | 65 | 2650 | 2 | 1080 | 56 | | JGT200B3H-F | 380 | 50 | 68 | 2580 | / | 1050 | 52 |
|
|
|
|
|
|
|
|
|
|
|
|
|
|
|
|
|
|
|
|
|
|
|
|
|
|
|
|
|
|
|
|
|
|
|
|
|
|
|
|
|
|
|
|
|
|
|
|
|
|
|
|
|
|
|
|
|
|
|
|
|
|
|
|
|
|
|
|
|
|
|
|
| ** = "WB" for wire lead type Ball bearing, or "TB" for terminal type Ball bearing 100, 200, 240V or special voltages 12, 24, 28, 38, 42, 48, 380~440~480... 50/60Hz, & dual voltage version available on request. Dual speed High/Medium 1/2, High/Low 1/3, Medium/Low 2/3, Low/extra Low 3/4 or triple speed 1/2/3 available on request. CROWN reserves the right to change data and improve electrical or mechanical design without notice, data tolerance +-10%
|
|
| |
|
|
 |
|
 |
|
|