Language
|
|
|
|
|
 |
|
|
 |
| |
 |
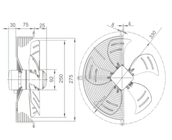
產品規格表| 型號 | 額定電壓 | 頻率 | 輸入功率 | 參考轉速 | 電容 | 最大風量 | 噪音 | | Model No | VAC | Hz | Watt | RPM | UF | m³/h | db(A) | | JGT250B2H-W | 220 | 50 | 100 | 2600 | 3 | 1360 | 65 | | JGT250B3H-W | 380 | 50 | 100 | 2550 | / | 1300 | 62 | | JGT250B2M-W | 220 | 50 | 70 | 1400
| 2 | 910 | 50 | | JGT250B3M-W | 380 | 50 | 72 | 1400 | / | 910 | 50 |
|
|
|
|
|
|
|
|
|
|
|
|
|
|
|
|
|
|
|
|
|
|
|
|
|
|
|
|
|
|
|
|
|
|
|
|
|
|
|
|
|
|
|
|
|
|
|
|
|
|
|
|
|
|
|
|
| ** = "WB" for wire lead type Ball bearing, or "TB" for terminal type Ball bearing 100, 200, 240V or special voltages 12, 24, 28, 38, 42, 48, 380~440~480... 50/60Hz, & dual voltage version available on request. Dual speed High/Medium 1/2, High/Low 1/3, Medium/Low 2/3, Low/extra Low 3/4 or triple speed 1/2/3 available on request. CROWN reserves the right to change data and improve electrical or mechanical design without notice, data tolerance +-10%
|
|
| |
|
|
 |
|
 |
|
|